0号块支架计算
案例简介
该案例以某大桥连续梁0号块为例进行设计计算,该0号块墩高27.5m,该方案拟采用三角托架,根据现场提供的周转材料和建议方案选定的构件材料和规格为:1.5cm厚竹用胶合板、强度等级为TC13的10x10cm²方木、Q235的I16工字钢、I28a工字钢和I40a工字钢和[36a槽钢,下图为方案布置图:


基础数据准备
0号块尺寸


创建0号块三角托架所受梁段最不利截面
- 在梁体立面放样0号块三角托架所受梁段最不利截面位置绘制箭头,激活梁体立面放样,在弹出的梁体窗口中单击“创建箭头指定位置截面”按钮,即生成0号块三角托架所受梁段最不利截面。


计算步骤
创建截面线荷载
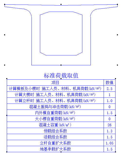
- 单击结构计算页面荷载版块的“标准荷载表”按钮,激活标准荷载表并修改数值,具体参考线荷载;
- 选中0号块截面与标准荷载表,单击结构计算页面荷载版块的“截面线荷载”按钮,即生成0号块截面的线荷载,具体参考截面线荷载创建;

- 生成的截面线荷载为单位长度的截面线荷载对象,该线荷载可以用于计算三角托架上纵向方木所受的荷载,纵向方木荷载按均布荷载考虑;

纵向方木计算
- 纵向方木的横向间距:腹板区为0.2m,箱室区为0.3m,则腹板区所受的线荷载为q=208.3x0.2=41.66kN/m;箱室区所受的线荷载为q=81.7x0.3=24.51kN/m;故纵向方木所受最不利线荷载为q=41.66kN/m;
- 建立纵向方木计算模型:可取不少于3跨的连续梁计算模型,跨径为小横梁之间的间距,所受荷载为最不利荷载q=41.66kN/m,建模方法可参考梁式结构创建;

- 纵向方木有限元模型截面特性修改:利用单元选择器将纵向方木有限元的截面特性修改为10x10cm²方木;
- 纵向方木荷载加载:将计算出的最不利荷载通过单元选择器加载到纵向方木有限元上;
提示
添加材料与截面的具体操作可参考材料与截面。
- 纵向方木计算结果:激活纵向方木有限元模型,进行结构计算:
- 下缘应力图

- 剪力图
- 切应力图
- 变形曲线
- 支座反力
小横梁计算
- 小横梁荷载范围选取:每根小横梁有效荷载承载范围为其间距范围,如下图所示,因为生成的梁体截面线荷载为单位(1m)长线荷载,故需要修改线荷载比例;

- 小横梁荷载修改:激活截面线荷载对象,在弹出的窗口中根据小横梁的间距修改比例系数为0.4,单击“线荷载按比例修改”按钮,得到修改后的线荷载对象:


- 建立最不利小横梁计算模型:取0号块截面底部长度的连续梁计算模型,支座位置为调节垫梁的位置,选中小横梁所有模型线,单击结构计算页面杆件有限元版块内的“梁式结构”按钮生成小横梁模型:
- 小横梁荷载加载:绘制矩形框框住修改完的线荷载对象,将小横梁模型置于矩形框内和线荷载正下方,激活线荷载,单击“框选有限元加载”按钮,将线荷载加载于小横梁有限元模型上:

- 小横梁截面特性修改:利用单元选择器将小横梁有限元的截面特性修改为I16工字钢;
- 小横梁计算结果:激活小横梁有限元模型,进行结构计算:
- 下缘应力图

- 剪力图
- 切应力图

- 变形曲线

- 支座反力
调节垫梁计算
- 创建调节垫梁计算模型:利用CAD中调节垫梁模型绘制调节垫梁形心线,支座位置为大横梁的位置,选中调节垫梁形心线,单击“梁式结构”按钮,创建调节垫梁有限元模型;

- 调节垫梁荷载加载:调节垫梁荷 载为集中力,间距为小横梁的布置间距,偏于安全考虑,其所受荷载取小横梁最大支座反力(最外侧小横梁有效荷载承载范围为其间距的一半,故取值为最大值的一半),下图为创建完成的调节垫梁有限元模型;

- 调节垫梁截面特性修改:利用单元选择器将调节垫梁有限元的截面特性修改为I28a工字钢;
- 调节垫梁计算结果:激活调节垫梁有限元模型,进行结构计算:
- 下缘应力图

- 剪力图

- 切应力图

- 变形曲线

- 支座反力

侧模纵梁计算
- 建立侧模纵梁计算模型:利用CAD中侧模纵梁模型绘制侧模纵梁形心线,支座位置为全部大横梁与横挑梁的位置,选中侧模纵梁形心线,单击“梁式结构”按钮,创建侧模纵梁有限元模型;

- 侧模纵梁荷载计算:侧模纵梁所受荷载可取均布荷载,绘制矩形框,将0号块截面线荷载框于矩形框中,在翼缘区域两端绘制两条折线,激活截面线荷载,在弹出的线性荷载对象窗口中单击“总荷载计算”按钮,即生成翼缘区集中荷载,激活翼缘区集中力,在弹出的荷载窗口的集中力分解中创建两个分力(分力的个数应当与翼缘区侧模纵梁个数相同),创建出的分力大致为一个侧模纵梁所受的荷载;

- 侧模纵梁截面特性修改:利用单元选择器将侧模纵梁的截面特性修改为I28a工字钢,并将均布荷载加载到侧模纵梁有限元模型;

- 侧模纵梁计算结果:激活侧模纵梁有限元模型,进行结构计算:
- 下缘应力图

- 剪力图

- 切应力图

- 变形曲线
- 支座反力
大横梁计算
- 创建大横梁计算模型:取长于0号块横截面总长的整数长度的连续梁计算模型,支座位置为三角托架的位置,单击“梁式结构”按钮,创建大横梁有限元模型;
- 大横梁荷载加载:大横梁荷载分为两部分,一部分为调节垫梁的支座反力,一部分为侧模纵梁的支座反力,其中每根调节垫梁加载到大横梁上的最大荷载与小横梁的支座反力成正比关系;
- 调节垫梁荷载加载到大横梁:
- 将小横梁的支座反力根据其布置位置反向加载到大横梁上;

- 绘制矩形框将集中力框于其中,激活最大的集中力,在“框选荷载按当前荷载指定值比例修改”中将其修改为调节垫梁最大支座反力数值:

- 侧模纵梁荷载加载到大横梁:根据调节垫梁计算结果所示,最里侧大横梁为最不利大横梁模型,侧模纵梁支座反力为54.4KN的位置为最里侧大横梁位置,故根据侧模纵梁位置将荷载54.4KN加载到横向大分配梁上;

- 调节垫梁荷载加载到大横梁:
- 大横梁有限元截面特性修改:利用单元选择器将大横梁的截面特性修改为2I40a工字钢;
- 大横梁计算结果:激活横向大分配梁有限元模型,进行结构计算:
- 下缘应力图

- 剪力图
- 切应力图
- 变形曲线
- 支座反力
三角托架计算
- 三角托架模型创建:
- 利用CAD中三角托架模型绘制三角托架形心线;

- 将三角托架图形导入RBCCE中,选中三角托架图形进行组合,再次选中并单击结构计算页面杆件有限元版块的“单元自动编码按钮”按钮,即可生成三角托架有限元,三角托架需固定在桥墩上,故支座选用固定支座,支座位置如下:

- 三角托架荷载加载:加载到三角托架上的荷载为大横梁的最大支座反力,根据大横梁的位置将集中力加载到三角托架有限元上,每根大横梁的最大支座反力与调节垫梁的支座反力成正比关系,故将三角托架所受荷载修改为调节垫梁的支座反力,绘制矩形框将集中力框于其中,激活最大的集中力,在“框选荷载按当前荷载指定值比例修改”中将其修改为大横梁最大支座反力数值;

- 三角托架截面特性修改:利用单元选择器将三角托架截面特性修改为2[36a槽钢;
- 三角托架计算结果:激活三角托架有限元模型,进行结构计算。
- 下缘应力图

- 剪力图

- 切应力图

- 变形曲线

- 支座反力

