杆件有限元
软件中采用直线段来描述杆件结构中杆件单元的形心轴线。对于静定或超静定平面杆件结构,其有限元计算模型包括三方面的建模信息:首先是结构信息,其中包括结构的单元划分、节点编号信息,各个单元的单元类型、材料属性、截面特性及节点类型等信息;其次是节点约束信息及荷载信息。
在平面杆件有限元计算模中,杆件单元为经典结构力学教材中普遍采用的等截面 6 自由度的梁单元类型,或者 4 自由度的链杆单元类型,单元节点主要包括刚节点、铰节点或组合节点等节点类型。
杆件有限元创建
通用结构创建
对于通用结构的杆件有限元创建,可以采用绘制图形,然后进行单元编码的方式实现。该方法适用于任何平面杆件结构的建模。
绘制杆件有限元的几何图形对象,并组合为一个整体。其几何图形可以是使用软件绘制或由 AutoCAD 导入

选择几何图形,点击软件的“结构计算”页面中“杆件有限元”面板上的“单元自动编码”按钮,软件将几何图形转化为杆件有限元对象,并进行单元、节点自动编码,初始化单元的属性参数。


贝雷梁创建
该方法主要用于快速创建贝雷梁模型,是一种基于参数的特定结构杆件有限元建模方法。该方法创建的贝雷梁模型为工程中常用 321 型贝雷,其创建的杆件有限元模型中已自动设置材料与截面特性,并自动处理节点铰接。
点击软件的“结构计算”页面中“杆件有限元”面板上的“创建贝雷梁”按钮,在弹出的对话框上设置相关属性,并点击“创建贝雷梁模型”或“按贝雷纵向步骤创建模型”按钮,然后在图形页面上选择放置位置即可完成操作。 

提示
- 如果不需要加载荷载,可以将均布荷载属性设置为 0;
- “创建贝雷梁模型”按钮,只能用于创建由标注 3m 长的贝雷片构成的贝雷梁,可以勾选弦杆加强或双层贝雷梁属性。
- “按贝雷纵向步骤创建模型”按钮可以根据输入的贝雷梁纵向布置参数来创建贝雷梁模型,该方法只能创建单层非加强的贝雷梁模型。
- 贝雷梁纵向布置参数输入格式为:“个数 × 单片长+个数 × 单片长...”。如“5×3+2×2+1.5+3”表示该贝雷梁由 5 片 3m 贝雷片+2 片 2m 贝雷片+1 片 1m 贝雷片+1 片 3m 贝雷片组成。软件支持贝雷片长度有:3m、2m 和 1.5m 三种。
梁式结构创建
梁式结构是指单根水平直线的多跨连续梁结构,其上方存在均布荷载、集中荷载或线荷载形式的荷载,下方存在支撑构件作为支座。通常用于临时结构中的分配梁或承重梁计算。
选中特征线对象,点击软件的“结构计算”页面中“杆件有限元”面板上的“创建梁结构”按钮,在弹出的对话框上设置相关属性,并点击“确定”按钮,然后在图形页面上选择放置位置即可完成操作。


提示
- 梁截面来源于当前工程的截面库,如果默认截面库中没有所需截面,需要手动添加,请参考《截面库管理》。
- “弹簧刚度”选项可以用于设置支座的竖向弹簧刚度值,用于进行弹性支撑计算。
- 勾选“添加梁端支座”选择,则将自动在梁的两端处添加竖向支座,不需要在支座间距表格中添加。
- 勾选“计算自重”选择,则在杆件有限元计算中自动考虑梁的自重荷载。
软件中梁式结构按荷载类型可以分为三种形式:均布荷载型梁式结构、集中荷载型梁式结构以及线荷载型梁式结构。
均布荷载型梁式结构

集中荷载型梁式结构

线荷载型梁式结构

提示
- 在没有选中对象的情况下,按均布荷载进行处理。
- 在选中的对象中不包含线荷载对象或集中荷载对象时,将按均布荷载进行处理。
- 如果选中的对象中包含均布荷载对象,则软件将自动提取其均布荷载的数值。如果选中多个不相等的均布荷载对象,则只取第一个均布荷载的数值。
- 梁位置线可以是一根水平线,也可以是现有的有限元对象。如果为有限元对象,则软件将自动提取截面属性和最大单元长度属性。
- 支座位置线可以是一根竖直线,也可以是现有的支座对象。
- 线荷载对象可以来源于截面线荷载、主梁线荷载或强制转化的线荷载,请参考《线荷载》。
拱结构创建
拱结构是用于创建跨度为 L、矢跨比为 f、拱轴系数为 m 定义的悬链线拱结构,其线形方程为:
式中,
点击软件的“结构计算”页面中“杆件有限元”面板上的“创建拱结构”按钮

在弹出的对话框上,输入拱轴系数、拱结构跨径、矢跨比、拱轴线分段参数等参数

点击“创建拱轴线”按钮,然后在图形页面上选择放置位置,即可完成操作

提示
可以双击该对象,进行参数的反复修改
选择拱轴线对象,点击软件的“结构计算”页面中“杆件有限元”面板上的“单元自动编码”按钮,将拱轴线转化为杆件有限元对象


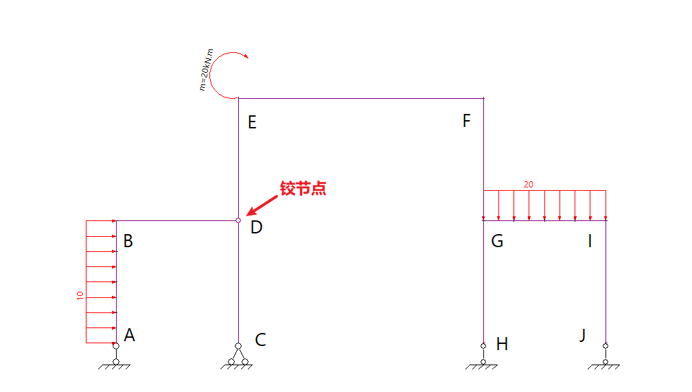
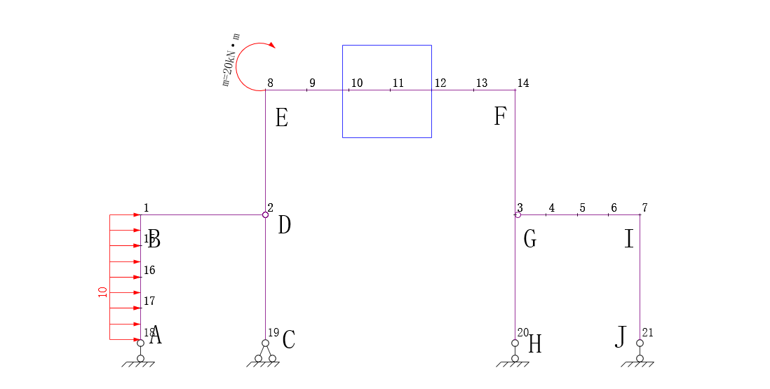
节点类型修改
杆件有限元中的单元节点类型有刚节点、铰节点或组合节点等节点类型。
当单元两端均以铰接方式与其他单元相连时,则该单元为链杆单元,否则为梁单元。软件为了便于识别杆件单元类型,在链杆单元的两端均显示一个圆形标记,当圆形标记的圆心与节点重合时,代表该节点为铰节点。

节点铰接设置
点击软件的“结构计算”页面中“荷载”面板上的“节点铰接”按钮

在图形页面上选择需要进行铰接处理的节点,完成操作


单元一端铰接设置
点击软件的“结构计算”页面中“荷载”面板上的“单元端铰”按钮

在图形页面上选择需要进行铰接处理的节点,再选择要处理的单元。


单元类型修改
绘制单元选择器,选择需要设置的单元

双击“单元选择器”对象,在弹出的对话框上的“特征参数修改”页面中单元特性表格的“单元类型”列,选择需要的单元类型,点击“确定”按钮,完成操作


单元编辑
在创建杆件有限元后,有时需要对有限元的单元进行分割、合并和拆除等编辑操作,软件中通过单元选择器进行单元选择与编辑。
单元分割
软件中提供两种方式进行单元分割,分别为等长度分割和按与直线相交位置分割。两种方式各有优缺点,需要根据实际情况进行选择。
等长度分割
绘制单元选择器,选择需要分割的单元

双击“单元选择器”对象,在弹出的对话框上的“荷载布置、单元编辑、数据查询”页面中,设置“单元分段数”属性,点击“所有选中单元等长度分割”按钮,完成操作


提示
- 该操作将单元选择器选中的所有单元按长度相等分割成给定的段数。
- 该分割方式优点是可以快速将所选单元进行分割,操作简单高效,但分割处的节点位置不可控。
按与直线相交位置分割
绘制单元选择器,选择需要分割的单元,且用直线标识出需要分割的位置。然后激活“单元选择器”对象,在弹出的对话框上的“荷载布置、单元编辑、数据查询”页面中,点击“按与直线相交位置进行单元分割”按钮,完成操作

提示
- 该分割方式优点是分割位置可控,但操作稍显繁琐。
单元拆除
使用单元选择器可以实现单元的拆除功能,拆除后的杆件有限元对象的单元、节点将自动重新编码。
绘制单元选择器,选择需要拆除的单元

双击“单元选择器”对象,在弹出的对话框上的“单元分割、合并与拆除”页面中,点击“单元拆除”按钮,完成操作


单元隐藏
使用单元选择器可以实现单元的隐藏功能,可以用于查询特定单元的应力云图等。

取消单元隐藏
使用单元选择器可以取消先前隐藏的单元。

杆件有限元合并
软件提供了杆件有限元合并功能,用于将两个或多个杆件有限元对象合并成一个新的杆件有限元对象并重新进行单元编码。

