案例一:简支箱梁钢管贝雷支架计算
案例简介
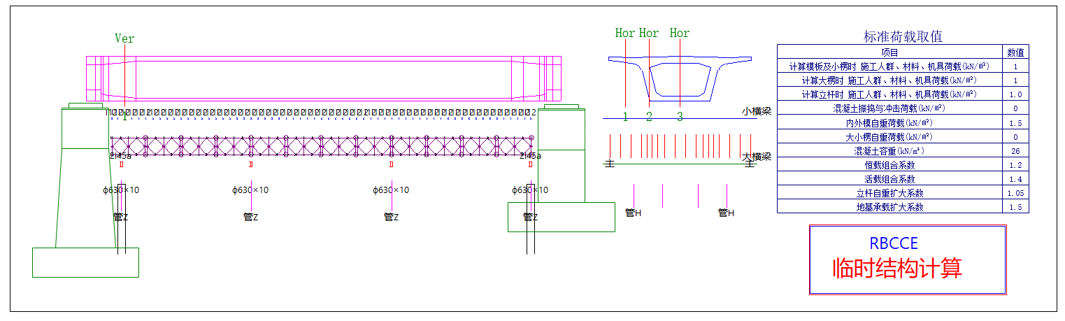
该案例以某项目支架现浇40m简支箱梁为例进行设计计算,该方案拟采用钢管贝雷支架现浇,初步方案选定材料规格为:1.5cm厚竹用胶合板、强度等级为TC13A的10x10cm²方木、Q235的I12和I45a工字钢、321型贝雷梁和Q235的630x10mm钢管。


案例操作
第一步:
参照钢管贝雷支架计算模式创建初始化计算窗口,调整或修改初始计算模式中的梁体模板、梁体截面和荷载参数表等计算需要的基础信息
第二步:
结合现场已有材料规格和限制条件,初步调整横向分配梁、贝雷梁和钢管立柱之间的间距、规格和位置

第三步:
按初步方案进行计算,保证每个构件计算结果符合相应规范要求;若不满足相应规范要求需重新调整材料规格或间距直到满足要求为止
提示
RBCCE贝雷梁以各个杆件轴力不超限为控制标准

