案例六:连续梁边墩垫石坐标计算
图1为位于某铁路桥梁曲线段上,梁缝里程为K3+148.932的89号墩顶帽平面设计图,表1为某铁路桥梁曲线要素表,JD4的ZH点桩号K2+546.799,图2为89号墩立面布置细节图。该桥墩小里程支承简支梁,大里程支承连续梁,存在纵向偏心0.2m,曲线偏心0.112m。要求如下:
提示
- 交点法创建线路中线模型
- 创建89号墩顶帽的桥涵结构物平面模型,计算垫石轮廓点点位坐标并计算机模拟放样。

图1 公铁两用门式桥墩三维效果图 图2 公铁两用门式桥墩现场施工图

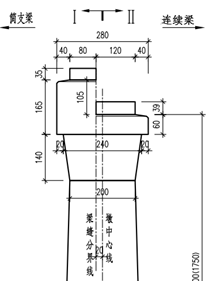
图3 89号墩平面图
表1 平曲线要素表

该桥墩存在以下特点: 存在纵向偏心,即梁缝分界里程线与墩横向中心线不重合 按照铁路桥梁平分中矢法布置原则,简支梁侧垫石需要考虑偏心距E值, 而连续梁采用曲桥曲做的布置方式,垫石不考虑偏心距E值。 本案例采用强制转化法建立垫石的桥涵结构物平面模型,计算垫石轮廓点坐标。绘制几何图形时,应该将纵向偏心和简支梁侧的垫石偏心距进行预处理。具体建模步骤如下:
- 交点法创建线路中线模型,并判断89号墩位于右偏曲线上,见图4。
- 在RBCCE中直接绘制垫石的几何图形并组合,见图5。图中对简支梁侧垫石的偏心距进行了预处理,即:简支梁侧垫石中心在连续梁侧垫石中心右侧0.112m处。
- 绘制指示线,标示梁缝里程线与墩的纵向中轴线的交点,见图6;选中几何图块强制转化法创建桥涵结构物平面模型,修改结构物名称并调整基点,见图7。
- 指示线标示计算点并录入梁缝分界里程,偏心距录入0,页面内创建坐标表,见图8。
- 计算机模拟放样到线路中线上,偏心距处理的正确性,见图9。

图4 线路中线模型
图5 绘制垫石轮廓几何图形
图6 绘制指示线
图7 桥涵结构物平面模型

图8 桥涵结构物坐标表

图9 计算机模拟放样
