案例九:公路桥梁桥墩轮廓点坐标计算
该案例为某高速公路桥梁桥墩的轮廓点位坐标计算,其中表1为右线平曲线要素表,JD29的ZH点里程:K89+306.361,图1为右线4号桥墩的结构平面图。要求如下:
提示
- 交点法创建线路中线
- 创建4号墩基础、墩身及系梁的桥涵平面结构物模型并计算出各个轮廓点位坐标。
表1 右线平曲线要素表


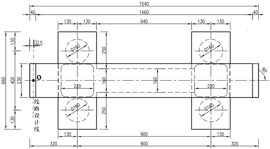
图1 右线4号桥墩平面图
从图3中可以明确线路设计线与桥墩平面位置关系,o点即为中桩点,横轴偏角为90°。可方便的将桥墩平面图创建为桥涵平面结构物模型,实现轮廓点位坐标的快速计算、查询以及计算机模拟放样。具体实现步骤如下:
(1)交点法创建线路中线,见图2。

图2 线路中线
(2)RBCCE页面内绘制基础、墩身及系梁轮廓并组合,见图3。

图3 右4号桥墩平面轮廓图
(3)绘制指示线捕捉到中桩点,强制转化法创建为桥涵平面结构物模型,见图4。

图4 桥涵平面结构物
(4)修改桥涵结构物对象名称属性、指示线定义计算点、录入墩中心里程信息、创建页面内坐标表并计算机模拟放样,见图5、图6。

图5 桥涵平面结构物及轮廓点坐标表

图6 计算机模拟放样成果
