案例一:城际轨道三维计算
铁路轨道三维信息模型
铁路桥梁具有很强的构造、布置及线位约束特征,涉及双线间距、主梁、桥墩、平分中矢法布置、曲线偏心、预偏心、双偏心、纵向偏心、梁缝等铁路桥梁特有的信息特征。合适的铁路桥梁三维信息模型需要深刻反映铁路桥梁的上述构造、布置及线位约束特点,为此专门提出铁路桥梁施工测量三维信息模型,简称铁路桥梁三维信息模型。铁路桥梁三维信息模型除了包含断链模型、线路中线模型、竖曲线模型外,还包含有桥墩中的基础、墩身、墩帽、主梁及按平分中矢法布置的铁路桥梁综合布置模型,通过这些模型的信息描述可以综合表达出铁路桥梁的三维空间构造和布置及线位约束关系。
1. 线路左中心线模型创建
原始设计资料

提示
查找项目里程范围内的平曲线要素信息以便创建和检查线路信息模型
创建模型
- 参照交点法创建线路左中心线,录入信息如下:

提示
- 注意录入正确的线路信息包括:线路名称、起算位置和起算桩号。
- 起算位置和桩号是保证线路里程正确,可通过起点、第一交点和第一ZH或ZY点三个位置的里程来保证模型桩号与设计资料保持一致。
- 单击“确定”按钮,完成线路模型创建

模型检核
为确保创建的线路中线模型正确无误,需要依据设计资料的模型信息和冗余信息进行检核,具体检核方法如下:
- 激活“交点转折线”——线路模型中的黑线,创建线元参数表和曲线要素表与设计资料进行比对检核

- 依据创建的线路中线模型,创建主点坐标表或逐桩坐标表与设计资料提供的主点坐标表做对比,检核线路中线模型正确性
2. 纵断面创建
原始设计资料

提示
查找项目里程范围内的竖曲线要素信息以便创建和检查纵断面信息模型
创建模型
- 参照纵断面创建线路竖曲线模型,录入信息如下:

- 通过“显示控制”模块使纵断面显示更为合理,单击“确定”按钮完成纵断面模型创建

模型检核
- 激活“纵断面模型”,创建纵断面曲线要素表与设计资料进行对比检核,复核设计坡度及坡长信息

3. 模板创建
RBCCE将桥梁模型分割为四个模板信息,其分别为基础模板、墩身模板、顶帽模板和主梁模板。通过统计分析,对各类模板进行分类,再分别创建相应的模板信息。
提示
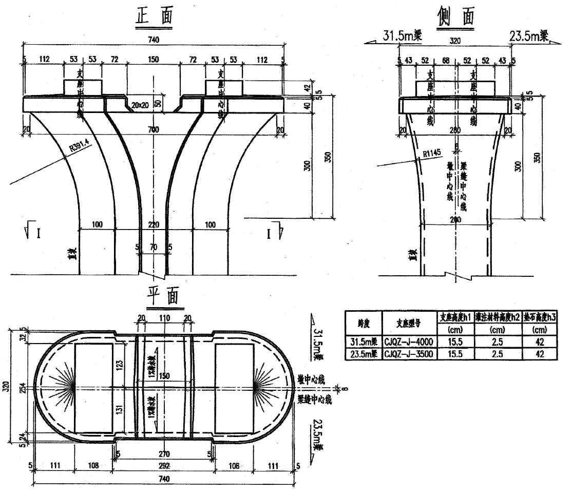
- 基础模板分类:可将桥墩中尺寸相同的承台和桩基定义为同一类基础模板(不考虑桩基的长度)。
- 墩身模板分类:可将具有相同墩颈截面尺寸及墩身纵向和横向坡比的墩身定义为同一类墩身模板。
- 顶帽模板分类:可将几何参数完全相同的顶帽,定义为同一类顶帽模板。
- 主梁模板分类:可将主梁纵剖面、横断面及平剖面图几何尺寸完全相同的主梁定义为同一类主梁模板。
RBCCE中模板基点为墩中心与线路中心线交点;模板纵轴方向为线路前进方向。
基础模板创建
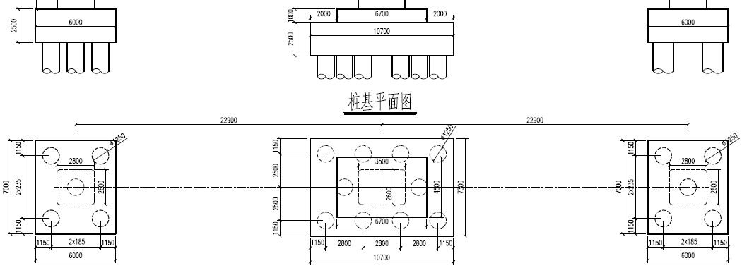
典型承台
- 原始设计资料

- 模型创建
参照铁路桥梁-基础模板强制转化法和参数法创建基础模板
提示
- 导入或绘制图形尺寸为m。
- 当二级承台一侧尺寸与一级承台尺寸一致时,可将二级承台尺寸内缩1mm(误差允许范围),再进行创建基础模板。
- 强制转化法时需注意调整基础模板的横纵轴方向(纵轴方向为线路前进方向)。
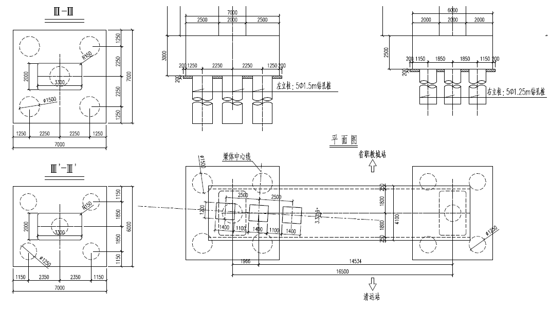
门式墩承台
- 原始设计资料


- 模型创建
参照铁路桥梁-基础模板强制转化法创建基础模板,再进行基点平移或指定
提示
- 导入或绘制图形尺寸为m。
- 在创建门式墩基础模板时,纵轴保持水平可避免不知名错误。
- 强制转化法时需注意调整基础模板的横纵轴方向(纵轴方向为线路前进方向)。
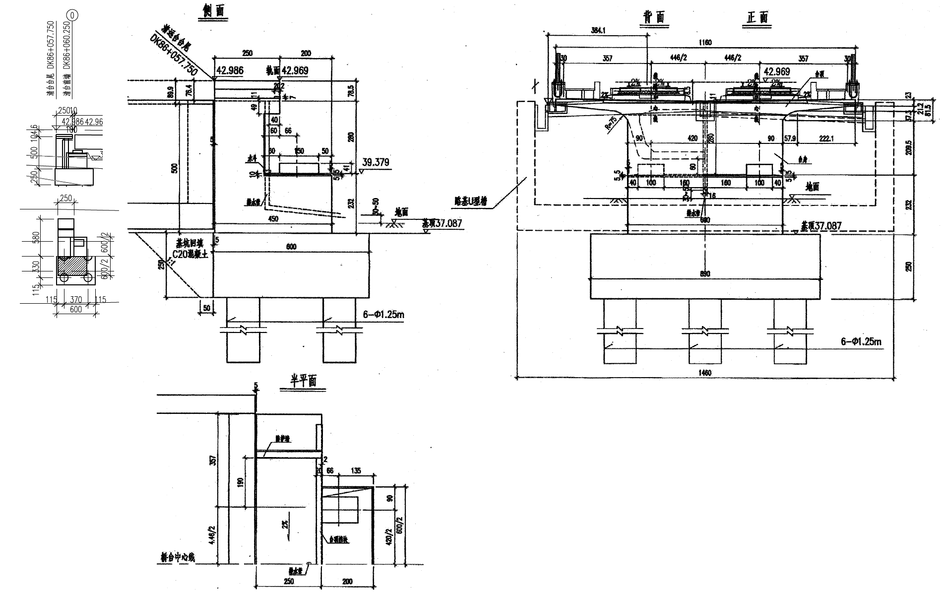
桥台承台
- 原始设计资料

- 模型创建
参照铁路桥梁-基础模板强制转化法或参数法创建基础模板,再进行基点平移或指定
提示
- 导入或绘制图形尺寸为m。
- 桥台基础模板基点位置为台前、台尾里程中心点且桥台顺桥为双偏心控制。
- 强制转化法时需注意调整基础模板的横纵轴方向(纵轴方向为线路前进方向)。
墩身模板创建
类型Ⅰ——直坡墩身
- 原始设计资料

- 模型创建
参照铁路桥梁-墩身模板强制转化法创建墩身模板
提示
- 导入或绘制图形尺寸为m。
- 斜交墩身在强制转化前旋转好角度,转化为模板对象后禁止旋转角度。
- 强制转化法时需注意调整墩身模板的横纵轴方向(纵轴方向为线路前进方向)。
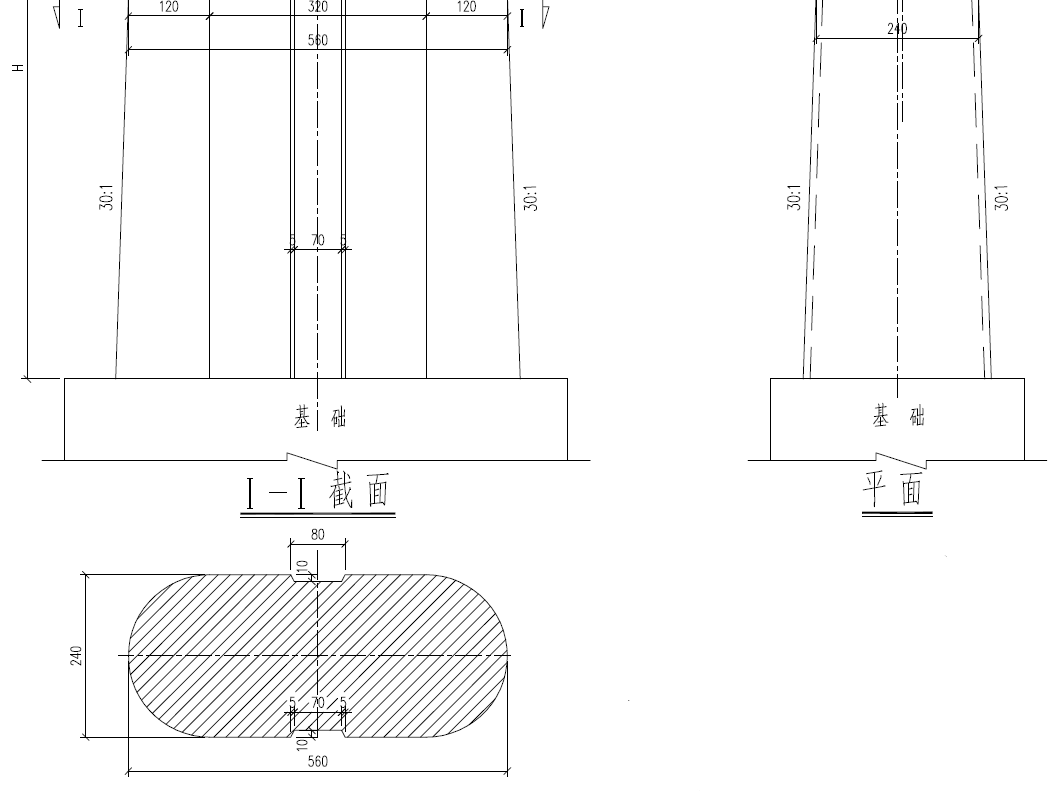
类型Ⅱ——斜坡墩身
- 原始设计资料

- 模型创建
参照铁路桥梁-墩身模板参数法创建墩身模板,再在“立面属性数据”页面内输入N=30
提示
- 输入数据单位为m。
- 墩身模板创建可在不影响计算点位坐标的情况下修改模板尺寸形状。
类型Ⅲ——门式墩身
- 原始设计资料

- 模型创建
参照铁路桥梁-墩身模板强制转化法创建墩身模板
提示
- 导入或绘制图形尺寸为m。
- 门式墩墩身模板创建可在不影响计算点位坐标的情况下修改模板尺寸形状,也可参照基础操作中门式墩模板的创建方法创建。
类型Ⅳ——圆柱墩身
- 原始设计资料

- 模型创建
参照铁路桥梁-墩身模板参数法创建墩身模板

提示
- 输入数据单位为m。
- 圆柱墩身模板创建可在不影响计算点位坐标的情况下,将参数法中的“W”值输入为0.0001m。
顶帽模板创建
类型Ⅰ-普通顶帽
- 原始设计资料


- 模型创建
参照铁路桥梁-顶帽模板强制转化法创建顶帽模板

提示
- 输入数据单位为m。
- 垫石不等高时需注意画出垫石分界线。
- 模板纵轴方向为线路前进方向,一种模板对象只能代表大小里程相同梁体类型的一类顶帽。
- 立面属性数据页面内“H”值为顶帽最高垫石距轨顶高差。
- 在需要计算点坐标的位置添加“指示线点”。
类型Ⅱ-门式墩顶帽
- 原始设计资料

参照铁路桥梁-顶帽模板强制转化法创建顶帽模板 

提示
- 输入数据单位为m。
- 模板纵轴方向为线路前进方向。
- 立面属性数据页面内“H”值为顶帽最高垫石距轨顶高差。
- 模板横纵轴方向确定也可参考桥梁总布置图确定。
- 在需要计算点坐标的位置添加“指示线点”。
- 若需要创建三维模型需指定点定义顶帽底截面对象。
类型Ⅲ-高低墩顶帽
- 原始设计资料
参照铁路桥梁-顶帽模板强制转化法创建顶帽模板 
提示
- 输入数据单位为m。
- 模板纵轴方向为线路前进方向。
- 立面属性数据页面内“H”值为顶帽最高垫石距轨顶高差。
- 托盘不等高位置需用分界线分割。
- 同一侧垫石高度只能为同一数值,故同侧不等高垫石高程数据需手动处理(不影响平面坐标)。
类型Ⅳ-其他类型顶帽
- 原始设计资料

- 模型创建
参照铁路桥梁-顶帽模板强制转化法创建顶帽模板
提示
- 输入数据单位为m。
- 模板纵轴方向为线路前进方向。
- 立面属性数据页面内“H”值为顶帽最高垫石距轨顶高差。
- 若需要创建三维模型需指定点定义顶帽底截面对象。
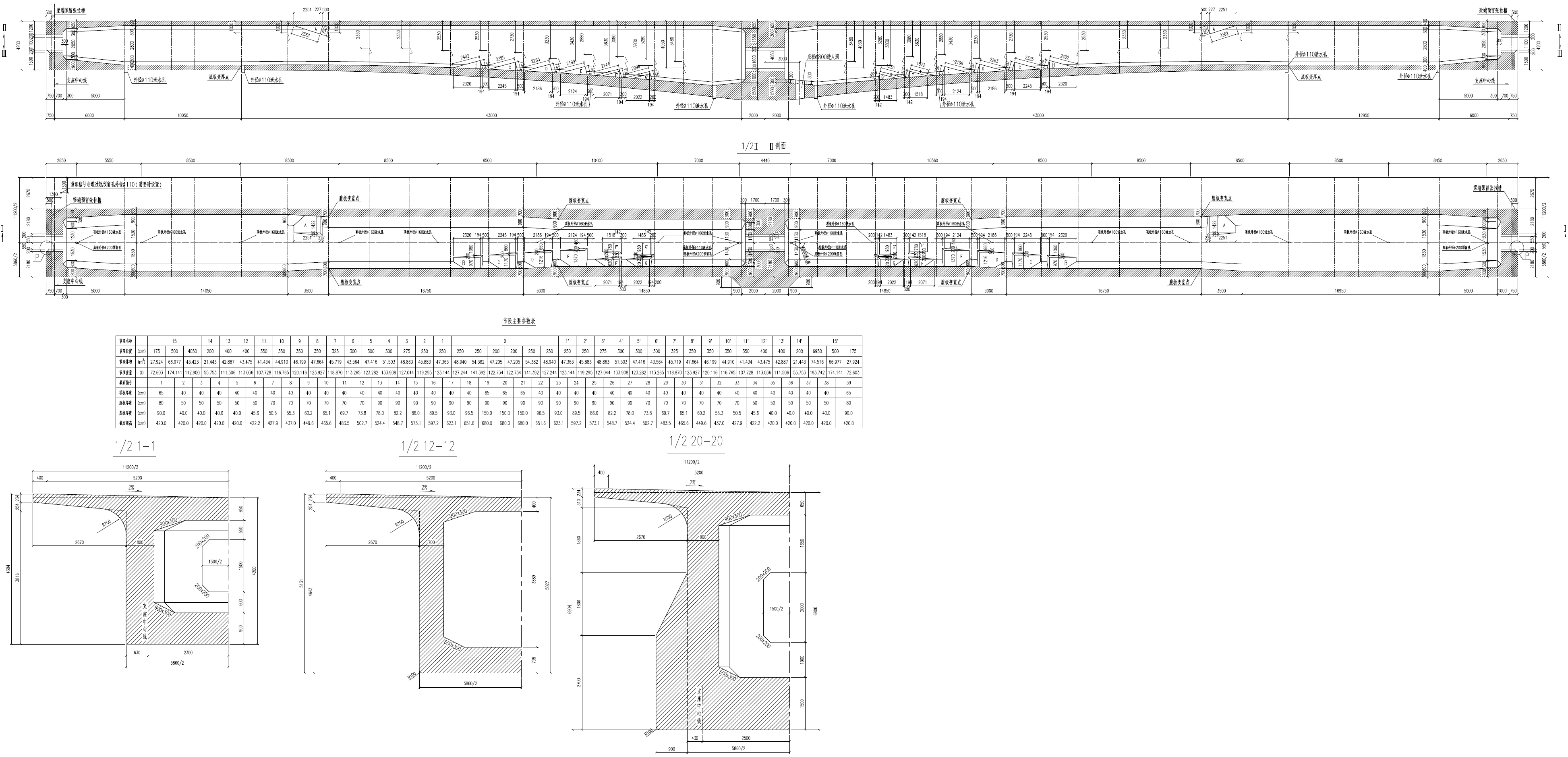
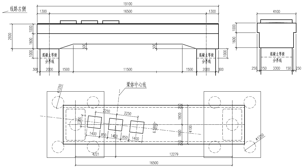
主梁模板创建
简支梁模板
提示
- 参数法输的入数据和强制转化法绘制的几何图形单位均为m。
- 绘制的所有图形必须为闭合轮廓。
- 注意修改“截面高与顶板厚基准”和“腹板宽位置”。
- “主梁平面”页面内可输入支座数据,以便得到正确的支座螺栓孔坐标。
- 参数法录入可参考主梁纵断面数据文件。
- 强制转化法需创建梁体纵剖面、梁体平剖面和梁体典型横断面图,且梁体纵剖面、梁体平剖面需绘制节段分段线。
- 该梁体不符合目前RBCCE创建梁体模板的要求,可在不影响计算结果的前提下修改典型横断面内轮廓边数,再在生成的三维模型中进行精细修改。
连续梁模板
提示
- 参数法输的入数据和强制转化法绘制的几何图形单位均为m。
- 绘制的所有图形必须为闭合轮廓。
- 注意修改“截面高与顶板厚基准”和“腹板宽位置”。
- “主梁平面”页面内可输入支座数据,以便得到正确的支座螺栓孔坐标。
- 参数法录入可参考主梁纵断面数据文件。
- 强制转化法需创建梁体纵剖面、梁体平剖面和梁体典型横断面图,且梁体纵剖面、梁体平剖面需绘制节段分段线。
- 连续梁按照曲桥曲做,目前RBCCE连续梁支座螺栓位置在“主梁平面”页面内不可计算,支座螺栓孔坐标可按照平面结构物的方法计算。
- 连续梁可在“节段组合定义”页面内进行组合,方便后续三维模型的精细化修改。
道岔梁模板
提示
- 绘制的几何图形单位均为m。
- 绘制的所有图形必须为闭合轮廓。
- 注意“提取截面信息”,保证生成的立面图形准确。
- 目前需保证绘制的所有截面相同的线段数,以防生成的三维模型连接混乱。
4. 综合布置模型创建
- 原始设计资料
原始资料下载- 全桥布置图(施工图)

- 曲线布置图

- 全桥布置图(施工图)
- 模型创建
参照铁路桥梁-桥梁综合布置根据设计资料填写“综合桥梁布置与计算”表格
综合布置数据下载提示
- 表格中所有数据单位均为m。
- 注意填写正确的“梁中心顶距轨顶高”。
- “墩台、梁体模板与计算”中所有模板均必须选择(最后一个梁体模板可为空)。
单击“综合计算Ⅰ”按钮即可得到“铁路桥梁计算成果”对象

5. 模型成果展示
结构物三维坐标成果
激活“铁路桥梁计算成果”对象,得到各个结构物的三维坐标 

坐标成果文件
为方案设计提供原始文件
基于立面放样成果,进行临时结构方案初步设计 







形象进度图
单击“墩台、梁体模板与计算”页面内的“形象图”按钮,可生成上墙进度图文件 
Revit三维模型或AutoCAD三维模型
激活“铁路桥梁计算成果”对象,点击“输出RCT命令”或“输出CAD三维图”按钮,创建桥梁的三维模型 

BIM+GIS应用
在卫星地图中展示线路的地理位置
将Revit模型导入到Infraworks中进行BIM+GIS展示 
















