铁路桥梁三维
铁路桥梁的创建布置,本质上需要对应的定位信息和模型信息,即铁路桥梁各构件的位置与尺寸,在此基础上完成铁路桥梁的创建与布置并实现应用。
定位信息
定位信息包括线路信息和布置信息。
线路信息
线路信息包括地理位置、断链表、纵断面及线路中线,通过这些信息能够确定铁路桥梁项目整体所处的空间位置。以下为设计资料中相关信息的示意。

坐标系统
线路中线
纵断面、断链表
布置信息
布置信息指平分中矢法所包含的信息,用于确定铁路桥梁各构件间的相对位置关系。

平分中矢法
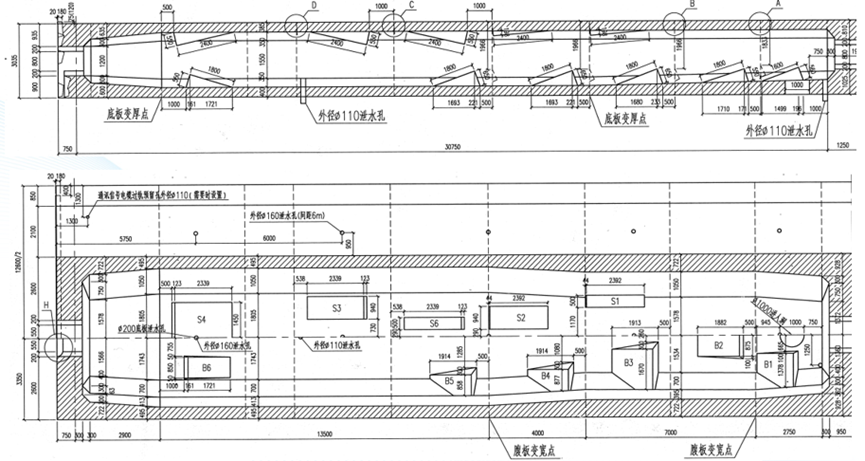
梁缝分界里程:桥墩的里程标记线,可在全桥布置图中查看。

梁缝分界里程
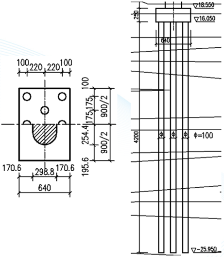
梁缝:梁缝里程到梁端截面的水平距离。到小里程侧的梁缝称为左梁缝,到大里程侧的梁缝称为右梁缝,当左右孔跨相等时,通常左、右梁缝数值相等,否则出现左梁缝与右梁缝不相等的现象。当桥墩位于线路中线中的直线段时,梁缝可在全桥布置图中查找;当桥墩位于线路中线中的曲线段时,梁缝可在曲线布置图中查找。

曲线布置图梁缝
全桥布置图梁缝
横向偏心:参数为E,一般位于线路中线中的曲线段,在曲线布置表、曲线布置图中均有关于横向偏心E值的表达。

横向偏心
预偏心:因力学上考虑,对于普通铁路桥梁,曲线半径较小时,部分情况下需要将桥墩中心布置在曲线偏心点再外移一水平距离E0,该距离E0称为桥墩的横向预偏心,预偏心在铁路桥梁中并不常见,可在全桥布置图中找到。


预偏心
纵向偏心:当桥墩相邻孔跨或两侧梁体重量不相等时,通常出现桥墩横向中心线与梁缝分界线不重合的现象,两者的水平距离称为纵向偏心,纵向偏心可在全桥布置图中找到。

纵向偏心
线间距:当铁路桥梁为双线时,左线右线间距为线间距,可在设计说明中找到。
.bc664554.png)
线间距(双线).5dc56f60.png)
线间距(单线)
梁顶距轨顶高差:用于高程传递计算,可在设计说明中找到,需要注意距离轨顶为最低处/最高处/梁中心。

梁顶距轨顶高差(梁顶最低处)
模型信息
模型信息包括材料信息和尺寸信息两方面。
材料信息
材料信息主要指下部结构混凝土材料信息,可在设计说明中找到。

材料信息
尺寸信息
尺寸信息指各构件尺寸,需要通过全桥布置图及通图/专图得到,对于基础来说,通过全桥布置图即可得到;对于上部结构来说,通过通图/专图即可得到;对于桥墩来说,则需要通过全桥布置图及通图/专图联合得到(通图/专图提供具体尺寸,全桥布置图图提供墩高)。

基础尺寸
桥墩尺寸(左为通图/专图,右为全桥布置图)


梁体尺寸
(从上至下依次为立面图、平面图、节段主要参数表及基准截面)
对于铁路桥梁而言, 通常由于其规模大、线路长,结构数量多,如果逐个对构件进行描述效率很低;利用类型对构件进行详细描述,再为该类型指定适用墩台号,即可快速完成全桥构件模型信息的描述。
在铁路桥梁项目中,设计资料通常不会对下部结构基础与上部结构梁体进行分类,对于基础来说,需要依据全桥布置图手动进行分类;对于梁体来说,通常采用梁跨进行分类。
其中,对于基础来说,除了需要考虑尺寸外,通常还需要混凝土等级来完成分类,梁体的混凝土标号通常是固定的。对于桥墩来说,设计资料中通常会在设计说明中提供桥墩分类及其适用墩号,在此基础上,一个桥墩通图需要依据其它条件进一步细分为多个类型,具体分类条件取决于各设计资料的描述,常见分类条件如下:
通图/专图图号。设计资料所提供的分类,是进一步分类的基础。

通图/专图图号
地震加速度。在通图/专图中,有时会依据地震加速度来对桥墩进行区分,处于不同地震加速度下的桥墩,其尺寸会有所区别。地震加速度可在设计说明中找到。

地震加速度
左右梁跨。桥墩所处位置左右梁跨的不同也会导致桥墩尺寸发生变化,常见梁跨组合有32m+32m、32m+24m及24m+24m三种组合,可在全桥布置图中找到。

左右梁跨
墩高范围。桥墩墩身高度处于不同范围时,尺寸及形状会有所不同,如墩身高度在较低范围时,一般为直坡墩,当处于较高范围时,则为变成斜坡墩。可在全通图/专图中找到。

墩高
材料信息。参考材料信息。
上述列举的分类条件为常见情况,具体需要依据实际情况添加或减少分类条件。
功能模块
这里对铁路桥梁模块所涉及的功能模块进行介绍。
准备工作
相关工作及涉及到的其它功能模块:
基础模板
用于创建铁路桥梁中的基础模板。
- 参数化基础
在没有选中任何对象的情况下,点击基础模板。


基础模板
在弹出的对话框中,依次修改模板名称、承台、桩基混凝土标号,其中桩基长度默认即可,后续统一进行修改;勾选显示参数,依照参数说明录入相关参数。

参数输入
点击更新按钮可预览成果。点击确定按钮,将其放到任意位置,完成操作。
.7d3c2788.png)
基础模板(参数化)
提示
- 基础模板命名可按照一级承台长x宽x桩基数量+承台桩基混凝土等级规则进行命名,方便分类、后续查找与使用。
- 自绘制基础
对于存在加台、桩长不等的情况来说,需要采用自绘制基础。
利用绘图功能绘制基础平面图,完成后选中所有对象组合。

平面图
提示
- 基础识别原则:矩形识别为承台或加台,圆形识别为桩基。
选中组合对象,点击基础模板按钮。这里几何形状为自绘制基础。
.4d2fec61.png)
基础模板对话框(自绘制)
在弹出的对话框中,依次修改模板名称、承台、桩基混凝土标号,其中桩基长度默认即可,后续统一进行修改。
参考右下角图示,修改承台及加台高度(如果存在加台)。如果桩基长度一致,则桩基长度差值为0;如果桩基长度不一致,则需要修改桩基长度差值。
.d59bf578.png)
参数输入(自绘制)
提示
- 当桩基长度不一致时,首先需要指定任意值为基准长度,所有桩基相对该基准长度的差值参考右下角编号依次输入。
- 可通过更新功能查看各桩基相对长度(不是绝对长度)是否正确。
- 后续统一修改桩基长度时,该基础桩基长度需指定为前面指定的基准长度。
点击更新按钮可预览成果。点击确定按钮,将其放到任意位置,完成操作。
.d287211c.png)
基础模板(自绘制)
- 转化基础
对于部分特殊基础来说,需要利用通用建模功能来绘制基础,该方法能够适应所有基础的绘制。
利用通用建模功能绘制仅基础承台部分。

承台创建
选中三维模型,点击基础模板按钮,转化为基础模板,此时几何形状为转化基础。
.c9fac888.png)
对话框(转化基础)
点击确定放到页面任意位置。
.2f0d740e.png)
基础模板(转化基础)
绘制桩基平面,完成后组合,将组合对象放到基础模板平面相对正确的位置,绘制矩形框指定桩基提取范围。

桩基平面、矩形框
激活基础模板,点击提取桩基按钮。
.b71e1506.png)
基础模板(桩基提取)
激活基础模板,点击提取桩基按钮。
.b71e1506.png)
对话框(桩基提取)
修改参数,点击更新按钮可预览成果。确定后完成操作。
提示
- 承台需要按照实际尺寸绘制,参数无法修改。
- 先绘制承台后绘制桩基的原因为帮助软件区分承台与桩基构件,方便分别指定混凝土标号及后续工程量统计。
- 请确保基点位于承台顶部,可利用箭头或指示线功能调整基点。
墩身模板
用于创建铁路桥梁中的墩身模板。
- 参数化墩身模板
在未选中任何对象的情况下,点击墩身模板。

.77c3e15d.png)
墩身模板
修改模板名称及混凝土等级,墩身高度默认即可,后续统一修改;选择合适的几何形状,打开参数说明,依照参数说明录入参数。
.0dde076b.png)
参数输入
点击更新按钮可预览成果。确定后放到页面任意位置,完成操作。
.19cc339b.png)
墩身模板
提示
- 墩身模板可按照通图/专图号+地震加速度+左右梁跨+墩高范围+混凝土等级来命名,在此命名基础上添加或删除,方便后续查找与使用。
- 自绘制墩身模板
对于部分拉伸体墩身,且没有所需模板,需要采用自绘制墩身。
绘制墩身截面,完成后组合。
墩身截面
选中截面,点击墩身模板按钮。此时几何形状为自绘制墩身。修改模板名称及混凝土等级,墩身高度默认,后续统一修改。
.35fd62be.png)
对话框(自绘制)
点击更新按钮可预览成果。点击确定按钮,将其放到任意位置,完成操作。
.bddb51ef.png)
墩身模板
- 一般墩身模板
如果墩身模板中没有所需的墩身模板,且所需绘制墩身不为某拉伸体,需要自行绘制,或者从其它软件进行导入。
利用通用建模绘制墩身三维几何体对象。

墩身三维几何体对象
选中墩身对象,点击墩身模板按钮。此时几何形状为导入几何形状。
.aca94c15.png)
对话框(一般形状)
点击更新按钮可预览成果。修改参数,确定后放到任意位置,完成操作。
.70776f34.png)
墩身模板
提示
- 自绘制形状墩身需要按照实际尺寸进行绘制。
- 请确保基点位于墩身顶部,可利用箭头或指示线功能调整基点。
顶帽模板
用于创建铁路桥梁中的墩身模板。
- 参数化模板
在未选中任何对象的情况下,点击顶帽模板。

.36870b58.png)
顶帽模板
修改模板名称及混凝土等级,选择合适的几何形状,打开参数说明,依照参数说明录入参数。
.d9401ba5.png)
参数输入(参数化)
点击更新按钮可预览成果。确定后放到页面任意位置,完成操作。
.dd919080.png)
顶帽模板
提示
- 顶帽模板可按照通图/专图号+地震加速度+左右梁跨+墩高范围+混凝土等级来命名,在此命名基础上添加或删除,方便后续查找与使用。
导入几何形状 如果墩身模板中没有所需的顶帽模板,需要自行绘制,或者从其它软件进行导入
利用通用建模绘制顶帽三维几何体对象。

顶帽三维几何体对象
选中顶帽对象,点击顶帽模板按钮。此时几何形状为导入几何形状。
.7c7450e3.png)
对话框(一般形状)
修改参数,点击更新按钮可预览成果。确定后放到任意位置,完成操作。
.8e154176.png)
顶帽模板(一般形状)
垫石模板
用于创建铁路桥梁中的垫石模板。
- 参数化垫石
在未选中任何对象的情况下,点击垫石模板。

.6912d7dd.png)
垫石模板
在弹出的对话框中,依次修改模板名称、混凝土等级,勾选显示参数,依照参数说明录入相关参数。
.2ee1abc6.png)
参数输入(参数化)
点击更新按钮可预览成果。点击确定按钮,将其放到任意位置,完成操作。
.1b911801.png)
垫石模板
提示
- 垫石模板可按照通图/专图号+地震加速度+左右梁跨+墩高范围+混凝土等级来命名,在此命名基础上添加或删除,方便后续查找与使用。
- 自绘制垫石
对于部分情况(如高低墩)来说,需要采用自绘制垫石。
利用绘图功能绘制基础平面图,完成后选中所有对象组合。
垫石平面绘制
提示
- 垫石识别原则:矩形,且不能存在重合地方。
选中组合对象,点击垫石模板按钮。这里几何形状为自绘制垫石。
.ef5cfdb1.png)
对话框(自绘制)
在弹出的对话框中,依次修改模板名称与混凝土等级,参考右下角图示,修改垫石高度及高差。
.4064191c.png)
参数输入(自绘制)
提示
- 对于高低墩来说,可以为较高的垫石高差输入正值,也可以为较低的垫石高差输入负值。
点击更新按钮可预览成果。点击确定按钮,将其放到任意位置,完成操作。
.c19df2e3.png)
垫石模板
- 一般垫石模板
提示
- 垫石模板的基点与顶帽模板基点选择有关,二者基点在组拼时重合,以此来选择导入几何形状垫石模板基点。
墩台模板
用于将墩身、顶帽、垫石模板组合为墩台模板。
在未选中任何对象的情况下,点击墩台模板按钮。
首先在下拉菜单中选择正确的垫石模板、顶帽模板及墩身模板并通过各模板旋转与平移来调整相对位置关系。


墩台模板
提示
- 墩台模板只能提取当前页面中的垫石模板、顶帽模板及墩身模板对象。
- 当前页面各模板类型较多时,可选中所需模板,点击墩台模板即可自动提取所需模板。
- 在选中模板提取前,可将垫石模板与顶帽模板三视图中的顶视图摆放到相对正确的位置,提取后省去移动步骤。
- 垫石模板、顶帽模板及墩身模板有任意一个即可完成墩台模板创建。
- 对于桥台等墩身、顶帽模板分界不明显的结构来说,自行指定、利用通用建模创建并转化即可。
修改参数,包括模板名称、墩身高范围、缺省墩身高及距轨顶高差。

参数修改
提示
参数说明
- 模板名称:墩台模板对象名称,建议采用与墩身、顶帽及垫石模板相同的名称,方便后续查找与使用。
- 墩身高范围:指定墩身模板高度范围(不是全墩高),不在此范围内的桥墩不能使用此墩台模板;
参数规则为含上不含下,如12-17含义为12<h≤17。
当任意一侧输入为0时,代表该侧无限制,如输入0-0适用所有墩身高度。
对于导入几何形状墩身模板,该参数无意义,输入0-0即可。 - 缺省墩身高:页面上该墩台模板的显示高度,无实际意义,注意该值需要在墩身高范围内。
- 距轨顶高差:墩台模板基点与轨顶高程之差,为正值。
该参数涉及到基点选择,可利用箭头或指示线功能调整基点。
基点选择与全桥布置图提供的信息有关:通常来说设计资料会提供墩顶标高,即顶帽顶、垫石底位置,此时基点选择该位置;还有一部分情况设计资料提供了垫石顶标高,此时基点应选择为垫石顶。
对于桥台来说,基点的选择是固定的:台前与台尾中心顶是桥台基点选择的唯一位置。 - 附加属性:备注,无影响,可填可不填。
点击更新按钮可预览成果。点击确定按钮,将其放到任意位置,完成操作。

墩台模板
提示
- 墩台模板创建完成后,可删除相关的垫石、顶帽及墩身模板,如需查找与修改,激活墩台模板,点击操作-创建垫石、顶帽、墩身模板对象即可。
坐标点定义
在完成基础类型与墩台类型的创建后,需要为每一类对象制定坐标计算点,便于后续的坐标批量计算。
激活基础类型或墩台类型,在右侧找到“计算点”一页,以基础模板为例,如下图所示。

计算点
其中其中上方为高程点定义,下方为平面计算点定义,需要分别对二者定义并进行关联,后续才可批量进行坐标计算。
坐标计算点定义有两种方法,一种是通过软件智能提取,另一种是通过自行指定计算点来得到。
- 智能提取
以高程点为例,在空白处右击弹出菜单,选择“智能添加高程点”,即可完成高程点的自动添加,同理可得平面点自动添加,如下图所示。

计算点添加
提示
基础类型智能提取计算点位置如下:
- 高程位置:桩底,承台底/桩顶,承台顶,如果有多级承台则会分别提取;
- 平面位置:桩心,承台角点。
墩台类型智能提取计算点位置如下:
- 高程位置:轨顶,垫石顶,墩顶,墩径(墩身顶部),墩身(墩身底部)
- 平面位置:垫石角点,墩顶计算点,墩身计算点
完成后点击“确定”,完成操作。
- 计算点自定义
一些情况下,通过智能提取的计算点无法满足实际需求,这时需要自行添加计算点。
在图形页面上,利用基本图形中的箭头功能,在类型上绘制所需指定的计算点,激活类型,在计算点中依次点击“提取高程点”和“提取平面点”,完成后为每个平面点关联高程点即可,如下图所示。

计算点提取
提示
- 提取高程点和平面点原则为:在前视图和侧视图提取到的点为高程计算点,在平面图提取到的点为平面计算点。
三维梁体
用于创建铁路桥梁中上部结构梁体模板。
- 参数化建模
该功能在梁体模板功能的基础上使用。

梁体模板
选中梁体模板(红色),点击三维梁体按钮,生成三维梁体模板,放到图形页面任意位置,完成操作。


三维梁体模板
可激活查看该三维梁体模板对象。

对话框
- 通用建模
参数化建模适用于一般直腹板简支梁或连续梁的创建与修正,对于部分梁体来说,需要采用通用建模进行绘制或修正,如斜腹板梁需要创建三维节段线后进行修正,道岔梁需要自行建模。
利用通用建模绘制或修正连续梁。
.a4647978.png)
三维梁体
警告
- 该三维对象必须为合并前的节段线对象,否则无法转化为三维梁体模板。
选中所有节段线对象,点击三维梁体按钮,创建三维梁体模板对象,放到图形页面任意位置。
.d8636efc.png)
对话框
激活三维梁体模板,修改相关信息,包括名称、类型及梁体模板(二维)。
.80e2d3a1.png)
对话框
提示
- 关联梁体模板是为了划分连续梁节段类型,如边直段、0#块等,对于部分无法绘制梁体模板的梁来说可不用关联。
- 关联梁体模板时,二者梁长必须一致。
完成后点击确定,完成操作。
构件模板库
构件模板库中储存了部分通图墩台模板,需要时可直接提取进行使用。
点击构件模板库按钮。

构件模板库
依照左侧通图名称以及各墩台模板附注,找到所需的墩台模板,点击并放到页面任意位置。
.74d3421c.png)
墩台模板
提示
- 在构件模板库中,将光标放相应的墩台模板上即可查看附注。
激活墩台模板,创建各构件,修改相关属性信息,主要为混凝土等级与距轨顶高差。

相关模板
提示
- 构件模板库中的信息为通图默认提供的信息,部分信息需要依照工点图进行修改。
修改完成后点击确定,激活墩台模板,更新后确认,完成操作。
铁路桥梁
整合定位信息与模型信息以创建铁路桥梁。
点击铁路桥梁按钮。


铁路桥梁
修改桥梁名称、线路名称、近似计算及梁顶距轨顶高差。
提示
参数说明:
- 近似计算:勾选近似计算采用双偏心计算,不勾选近似计算采用平分中矢法进行计算。
- 添加:添加一个桥墩。
- 删除:删除一个桥墩,利用shift键可批量删除。
- 编辑:对任意桥墩进行编辑,双击列表中的桥墩也可进行编辑。
- 批量添加:批量添加桥墩。
- 导入:导入Excel表。
- 导出:导出Excel表。
- 基础模板匹配:为基础模板指定适用的墩台号。
- 墩台模板匹配:为墩台模板指定适用的墩台号。
- 梁体模板匹配:为梁体模板指定适用的墩台号。
- 更新所有模板:重新提取文件中涉及的所有模板。
可利用添加功能逐个添加桥墩,但利用Excel表批量创建的方法更加方便。点击导出按钮,选择路径,导出Excel表模板。


铁路桥梁
提示
- 参数说明
上述大部分信息在布置信息中提及,这里不多赘述,仅对部分参数进行说明。
- 墩台类型:有桥台、简支梁桥墩及连续梁主墩三类,其中连续梁边墩属于简支梁桥墩。
- 纵向偏心:当桥墩中心线位于梁缝右侧时为正,反之为负。
- 预偏心方向:一般为曲线外侧为正,当位于直线段时,无法区分曲线内外侧,这时可选择线路右侧为正。
- 墩台模板、基础模板、梁体模板:创建相应模板时给定的名称。
- 桩基长度:对于变长基础来说,输入的参数为创建模板时指定的基准长度。
- 立面图考虑旋转:一般为是。
- 桥台较为特殊,梁缝里程需要输入台前和台尾两个里程,中间使用英文逗号隔开,相同的还有横向偏心、预偏心、线间距参数。对于墩台模板、基础模板及梁体模板,可以利用Excel表格筛选功能依据分类情况批量在Excel表中处理外,后续也可以在铁路桥梁模块中模板匹配进行处理。
- 对于其中可能出现参数输入错误的情况,可以输入部分冗余数据来进行检查,如输入墩身高度时,可录入墩顶标高和墩底标高,利用Excel来进行检查。
填写完成后,将Excel表格利用导入功能导入铁路桥梁,无误后确定,放到页面上任意位置,完成操作。


铁路桥梁
铁路桥梁应用
铁路桥梁应用在功能一栏。
- 平面放样图
在功能一栏中,勾选放样构件,调整字体高度及墩台标记位置,一般无需修改,点击创建平面放样图按钮即可。

平面放样
- 立面放样
在功能一栏中,输入所需创建的墩台列表,点击创建立面放样图,完成操作。

立面放样
提示
- 下部结构可创建测量对象用于坐标计算。
- 创建形象图
现场的上墙形象图,桩基显示长度为0即可,点击创建形象图,完成操作。

形象图
- 导入三维地图
通过定位信息将其导入到三维地图中,点击导入到三维地图,在测量计算-地理位置-三维地图中可以查看。

三维地图
- 混凝土方量统计
点击查询混凝土方量表按钮,查看混凝土分项与合项数据,还可导出Excel表格。

混凝土方量统计
- 创建、更新工程量数据库
完成铁路桥梁创建后,后续可进行工程算量操作。
点击“创建工程量数据库”按钮,将创建完成的工程量数据库放到图形页面上,完成操作,工程算量相关操作详见相关文档。
当铁路桥梁更改后,需要对工程量数据库进行更新,点击“更新工程量数据库”按钮,选择需要更新的数据库,点击确定,完成操作。

更新工程量数据库
- 软件交互
在三维查看器下方有导出按钮,可导出Brep、Step等格式与其它软件进行交互。

软件交互
