计算与查询
本章将介绍如何使用软件进行荷载静力计算、杆件有限元计算以及杆件有限元计算结果的查询。
荷载静力计算
荷载静力计算可以用于平面力系的求解,如计算合力、计算分力、未知力计算等
合力计算
创建需要计算合力的集中荷载对象

选中这些集中荷载对象,然后点击软件的“结构计算”页面上“计算查询”面板中的“荷载静力计算”按钮

软件将自动计算并创建其合力对象

未知力求解
提示
未知力是依据平面力系静力平衡进行计算的。 如果计算的是分力,则计算结果为分力的反力
杆件有限元计算与查询
本节将介绍杆件有限元结构的模型检核、结构计算、结构查询等操作以及杆件有限元结果查询器的使用。
模型检核
杆件有限元对象创建后,还需要检查其原始数据,如节点号、单元号、单元材料与截面特性等,以确保杆件有限元对象建模数据的正确性。
查询节点号或单元号
激活创建的杆件有限元对象,在弹出的对话框上的显示控制页面,我们可以通过切换显示内容来查看杆件有限元的节点号和单元号。


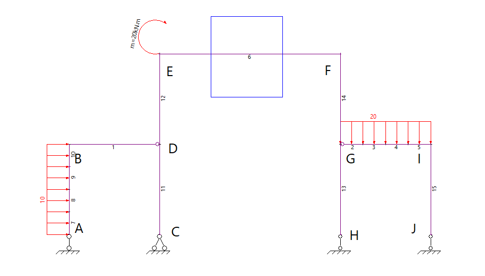
查询单元截面
绘制单元选择器,选择需要查询的单元

激活单元选择器对象,在弹出的对话框上的数据查询与叠加页面,点击“创建单元截面”按钮,可以创建所选单元的截面对象。


提示
该功能会对所有选中的单元均创建截面对象
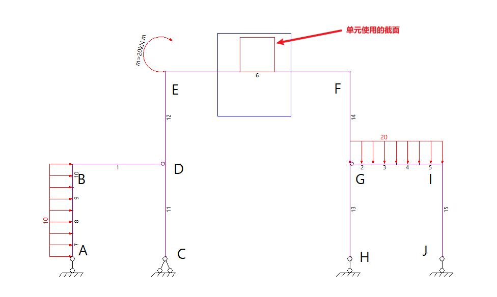
单元特征参数查询
绘制单元选择器,选择需要查询的单元

激活单元选择器对象,在弹出的对话框上的单元属性表可以查询选中的单元特性参数。

通过表格上右击菜单,可以将表格数据导出 Excel 文件中。

提示
可以通过杆件有限元对象的“单元特性值”显示选项,来显示某项单元特性值。 
结构计算
当杆件有限元模型对象、节点约束对象及荷载对象布置完成后,可以进行结构力学计算。 
激活“杆件有限元”对象,在弹出的对话框上,勾选“计算自重”、“计算外载”、“计算支座沉陷”和“计算温度变化”等选项,然后点击“结构计算”按钮,可以实现杆件结构力学的组合计算,并自动创建结构的弯矩图。


成果查询
在完成杆件有限元结构计算后,需要查询杆件单元的内力、应力、位移以及约束反力等信息,才能对结构进行安全性评价。
单元位移
变形曲线图
激活已经计算的“杆件有限元”对象,在弹出的对话框上的显示控制页面,切换显示选项为“变形曲线”,可以查看杆件有限元的变形曲线。可以通过设置“最大值显示高”调节变形幅度的大小。

最大水平、竖向位移查询
使用单元选择器,选择需要查询的单元
激活单元选择器,在弹出的对话框上的荷载布置、单元编辑、数据查询页面,点击“最大竖向位移”或“最大水平位移”按钮,完成操作。

单元位移表
激活单元选择器,在弹出的对话框上的荷载布置、单元编辑、数据查询页面,点击“单元位移表”按钮,可以查询所选单元的各个方向位移成果表。

提示
- 可以点击“导出Excel”按钮,将表格数据导出Excel文件中。
- 位移表中的 U、V、θ分别表示水平位移、竖向位移以及转角位移,其下标i表示为单元左端数据,下标j表示为单元右端数据。
单元轴力
轴力云图
激活已经计算的“杆件有限元”对象,在弹出的对话框上的显示控制页面,切换显示选项为“轴力图”,可以查看杆件有限元的轴力云图。可以通过设置“最大值显示高”调节最大值的显示高度。

通过切换内力标注方式可以进行轴力的数值显示

最大轴力查询
对于贝雷梁结构,需要分别查询最大水平杆、斜杆、竖杆的轴力。
使用单元选择器,选择需要查询的单元

激活单元选择器,在弹出的对话框上的数据查询与叠加页面,点击“单元最大轴力”按钮,完成操作。


单元剪力
激活已经计算的“杆件有限元”对象,在弹出的对话框上的显示控制页面,切换显示选项为“剪力图”,可以查看杆件有限元的剪力云图。可以通过设置“最大值显示高”调节最大值的显示高度。

单元弯矩
激活已经计算的“杆件有限元”对象,在弹出的对话框上的显示控制页面,切换显示选项为“弯矩图”,可以查看杆件有限元的弯矩云图。可以通过设置“最大值显示高”调节最大值的显示高度。

单元上缘应力
激活已经计算的“杆件有限元”对象,在弹出的对话框上的显示控制页面,切换显示选项为“上缘应力”,可以查看杆件有限元的上缘应力云图。可以通过设置“最大值显示高”调节最大值的显示高度。

单元下缘应力
激活已经计算的“杆件有限元”对象,在弹出的对话框上的显示控制页面,切换显示选项为“下缘应力”,可以查看杆件有限元的下缘应力云图。可以通过设置“最大值显示高”调节最大值的显示高度。

单元最大切应力
激活已经计算的“杆件有限元”对象,在弹出的对话框上的显示控制页面,切换显示选项为“最大切应力”,可以查看杆件有限元的切应力云图。可以通过设置“最大值显示高”调节最大值的显示高度。

约束反力查询
约束反力的查询需要使用约束对象进行操作,激活已经计算的“杆件有限元”对象其中的一个支座,在弹出的对话框上的约束反力计算页面,点击“约束反力计算”按钮,完成操作。

结果查询器
为了更方便的查询有限元结果,软件提供了有限元结果查询器功能。
选中已经计算的杆件有限元对象,然后点击软件的“结构计算”页面上“计算查询”面板中的“有限元结果”按钮,在弹出的对话框中即可快捷的查询有限元的各种结果。


提示
可以通过图片复制功能,将计算结果整理到Word计算书中。

